固話:021-6040 2598
傳真:021-6040 2599
采購:info@euro-ke.com
銷售:sales@euro-ke.com
上海市寶山區羅店路388號MAX科技園A座504-1室
導讀:霍爾傳感器是根據霍爾效應制作的一種磁場傳感器。霍爾效應是磁電效應的一種,這一現象是霍爾(A.H.Hall,1855—1938)于1879年在研究金屬的導電機構時發現的。后來發現半導體、導電流體等也有這種效應,而半導體的霍爾效應比金屬強得多,利用這現象制成的各種霍爾元件,廣泛地應用于工業自動化技術、檢測技術及信息處理等方面。霍爾效應是研究半導體材料性能的基本方法。通過霍爾效應實驗測定的霍爾系數,能夠判斷半導體材料的導電類型、載流子濃度及載流子遷移率等重要參數。...
霍爾傳感器是根據霍爾效應制作的一種磁場傳感器。霍爾效應是磁電效應的一種,這一現象是霍爾(A.H.Hall,1855—1938)于1879年在研究金屬的導電機構時發現的。后來發現半導體、導電流體等也有這種效應,而半導體的霍爾效應比金屬強得多,利用這現象制成的各種霍爾元件,廣泛地應用于工業自動化技術、檢測技術及信息處理等方面。霍爾效應是研究半導體材料性能的基本方法。通過霍爾效應實驗測定的霍爾系數,能夠判斷半導體材料的導電類型、載流子濃度及載流子遷移率等重要參數。
由霍爾效應的原理知,霍爾電勢的大小取決于:Rh為霍爾常數,它與半導體材質有關;I為霍爾元件的偏置電流;B為磁場強度;d為半導體材料的厚度。
對于一個給定的霍爾器件,當偏置電流 I 固定時,UH將完全取決于被測的磁場強度B。

一個霍爾元件一般有四個引出端子,其中兩根是霍爾元件的偏置電流 I 的輸入端,另兩根是霍爾電壓的輸出端。如果兩輸出端構成外回路,就會產生霍爾電流。一般地說,偏置電流的設定通常由外部的基準電壓源給出;若精度要求高,則基準電壓源均用恒流源取代。為了達到高的靈敏度,有的霍爾元件的傳感面上裝有高導磁系數的鍍膜合金;這類傳感器的霍爾電勢較大,但在0.05T左右出現飽和,僅適用在低量限、小量程下使用。
在半導體薄片兩端通以控制電流I,并在薄片的垂直方向施加磁感應強度為B的勻強磁場,則在垂直于電流和磁場的方向上,將產生電勢差為UH的霍爾電壓。
磁場中有一個霍爾半導體片,恒定電流I從A到B通過該片。在洛侖茲力的作用下,I的電子流在通過霍爾半導體時向一側偏移,使該片在CD方向上產生電位差,這就是所謂的霍爾電壓。
霍爾電壓隨磁場強度的變化而變化,磁場越強,電壓越高,磁場越弱,電壓越低,霍爾電壓值很小,通常只有幾個毫伏,但經集成電路中的放大器放大,就能使該電壓放大到足以輸出較強的信號。若使霍爾集成電路起傳感作用,需要用機械的方法來改變磁感應強度。下圖所示的方法是用一個轉動的葉輪作為控制磁通量的開關,當葉輪葉片處于磁鐵和霍爾集成電路之間的氣隙中時,磁場偏離集成片,霍爾電壓消失。這樣,霍爾集成電路的輸出電壓的變化,就能表示出葉輪驅動軸的某一位置,利用這一工作原理,可將霍爾集成電路片用作用點火正時傳感器。霍爾效應傳感器屬于被動型傳感器,它要有外加電源才能工作,這一特點使它能檢測轉速低的運轉情況。
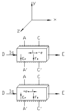
霍爾效應從本質上講是運動的帶電粒子在磁場中受洛侖茲力作用引起的偏轉。當帶電粒子(電子或空穴)被約束在固體材料中,這種偏轉就導致在垂直電流和磁場的方向上產生正負電荷的聚積,從而形成附加的橫向電場。對于圖一所示的半導體試樣,若在X方向通以電流Is,在Z方向加磁場B,則在Y方向即試樣A,A′電極兩側就開始聚積異號電荷而產生相應的附加電場。電場的指向取決定于測試樣品的電類型。顯然,該電場是阻止載流子繼續向側面偏移,

當載流子所受的橫向電場力eEH與洛侖茲力相等時,樣品兩側電荷的積累就達到平衡,故有
⑴
其中EH為霍爾電場,V是載流子在電流方向上的平均漂移速度。設試樣的寬為b,厚度為d,載流子濃度為n,則
⑵
由⑴、⑵兩式可得
⑶
即霍爾電壓VH(A、A′電極之間的電壓)與ISB乘積正比與試樣厚度d成反比。比例系數 稱為霍爾系數,它是反映材料霍爾效應強弱的重要參數,只要測出 VH(伏)以及知道IIs(安)、B(高斯)和d(厘 米)可按下式計算RH(厘米3/庫侖)
根據霍爾效應,人們用半導體材料制成的元件叫霍爾元件。它具有對磁場敏感、結構簡單、體積小、頻率響應寬、輸出電壓變化大和使用壽命長等優點,因此,在測量、自動化、計算機和信息技術等領域得到廣泛的應用。
霍爾傳感器分為線型霍爾傳感器和開關型霍爾傳感器兩種。
(一)開關型霍爾傳感器由穩壓器、霍爾元件、差分放大器,斯密特觸發器和輸出級組成,它輸出數字量。開關型霍爾傳感器還有一種特殊的形式,稱為鎖鍵型霍爾傳感器。
(二)線性型霍爾傳感器由霍爾元件、線性放大器和射極跟隨器組成,它輸出模擬量。
線性霍爾傳感器又可分為開環式和閉環式。閉環式霍爾傳感器又稱零磁通霍爾傳感器。線性霍爾傳感器主要用于交直流電流和電壓測量。.
如圖所示,其中Bnp為工作點“開”的磁感應強度,BRP為釋放點“關”的磁感應強度。當外加的磁感應強度超過動作點Bnp時,傳感器輸出低電平,當磁感應強度降到動作點Bnp以下時,傳感器輸出電平不變,一直要降到釋放點BRP時,傳感器才由低電平躍變為高電平。Bnp與BRP之間的滯后使開關動作更為可靠。

如圖所示,當磁感應強度超過動作點Bnp時,傳感器輸出由高電平躍變為低電平,而在外磁場撤消后,其輸出狀態保持不變(即鎖存狀態),必須施加反向磁感應強度達到BRP時,才能使電平產生變化。

輸出電壓與外加磁場強度呈線性關系,如圖3所示,可見,在B1~B2的磁感應強度范圍內有較好的線性度,磁感應強度超出此范圍時則呈現飽和狀態。

開環式電流傳感器
由于通電螺線管內部存在磁場,其大小與導線中的電流成正比,故可以利用霍爾傳感器測量出磁場,從而確定導線中電流的大小。利用這一原理可以設計制成霍爾電流傳感器。其優點是不與被測電路發生電接觸,不影響被測電路,不消耗被測電源的功率,特別適合于大電流傳感。
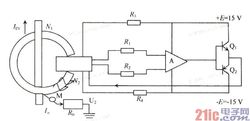
霍爾電流傳感器工作原理如圖6所示,標準圓環鐵芯有一個缺口,將霍爾傳感器插入缺口中,圓環上繞有線圈,當電流通過線圈時產生磁場,則霍爾傳感器有信號輸出。
閉環式電流傳感器
磁平衡式電流傳感器也叫霍爾閉環電流傳感器,也稱補償式傳感器,即主回路被測電流Ip在聚磁環處所產生的磁場通過一個次級線圈,電流所產生的磁場進行補償, 從而使霍爾器件處于檢測零磁通的工作狀態。
磁平衡式電流傳感器的具體工作過程為:當主回路有一電流通過時,在導線上產生的磁場被聚磁環聚集并感應到霍爾器件上, 所產生的信號輸出用于驅動相應的功率管并使其導通,從而獲得一個補償電流Is。 這一電流再通過多匝繞組產生磁場 ,該磁場與被測電流產生的磁場正好相反,因而補償了原來的磁場, 使霍爾器件的輸出逐漸減小。當與Ip與匝數相乘 所產生的磁場相等時,Is不再增加,這時的霍爾器件起指示零磁通的作用 ,此時可以通過Is來平衡。被測電流的任何變化都會破壞這一平衡。 一旦磁場失去平衡,霍爾器件就有信號輸出。經功率放大后,立即就有相應的電流流過次級繞組以對失衡的磁場進行補償。從磁場失衡到再次平衡,所需的時間理論上不到1μs,這是一個動態平衡的過程。

1、 霍爾傳感器可以測量任意波形的電流和電壓,如:直流、交流、脈沖波形等,甚至對瞬態峰值的測量。副邊電流忠實地反應原邊電流的波形。而普通互感器則是無法與其比擬的,它一般只適用于測量50Hz正弦波;
2、 原邊電路與副邊電路之間有良好的電氣隔離,隔離電壓可達9600Vrms;
3、精度高:在工作溫度區內精度優于1%,該精度適合于任何波形的測量;
4、線性度好:優于0.1%;
5、寬帶寬:高帶寬的電流傳感器上升時間可小于1μs;但是,電壓傳感器帶寬較窄,一般在15kHz以內,6400Vrms的高壓電壓傳感器上升時間約500uS,帶寬約700Hz。
6、測量范圍:霍爾傳感器為系列產品,電流測量可達50KA,電壓測量可達6400V。
霍爾電流傳感器使用時,需遵循以下注意事項:
1、為了得到較好的動態特性和靈敏度,必須注意原邊線圈和副邊線圈的耦合,要耦合得好,最好用單根導線且導線完全填滿霍爾傳感器模塊孔徑。
2、使用中當大的直流電流流過傳感器原邊線圈,且次級電路沒有接通電源|穩壓器或副邊開路,則其磁路被磁化,而產生剩磁,影響測量精度(故使用時要先接通電源和測量端M),發生這種情況時,要先進行退磁處理。其方法是次邊電路不加電源,而在原邊線圈中通一同樣等級大小的交流電流并逐漸減小其值。
3、霍爾傳感器都具有較強的抗外磁場干擾能力,但是,為了獲得較高的測量準確度,當有較強的磁場干擾時,要采取適當的措施來解決。通常方法有:
4、測量的最佳精度是在額定值下得到的,當被測電流遠低于額定值時,要獲得最佳精度,原邊可使用多匝,但是,需要注意導線的空間位置(參照第一條)。
霍爾器件具有許多優點,它們的結構牢固,體積小,重量輕,壽命長,安裝方便,功耗小,頻率高(可達1MHZ),耐震動,不怕灰塵、油污、水汽及鹽霧等的污染或腐蝕。
霍爾線性器件的精度高、線性度好;霍爾開關器件無觸點、無磨損、輸出波形清晰、無抖動、無回跳、位置重復精度高(可達μm級)。取用了各種補償和保護措施的霍爾器件的工作溫度范圍寬,可達-55℃~150℃。
按被檢測的對象的性質可將它們的應用分為:直接應用和間接應用。前者是直接檢測出受檢測對象本身的磁場或磁特性,后者是檢測受檢對象上人為設置的磁場,用這個磁場來作被檢測的信息的載體,通過它,將許多非電、非磁的物理量例如力、力矩、壓力、應力、位置、位移、速度、加速度、角度、角速度、轉數、轉速以及工作狀態發生變化的時間等,轉變成電量來進行檢測和控制。
兩塊永久磁鐵同極性相對放置,將線性型霍爾傳感器置于中間,其磁感應強度為零,這個點可作為位移的零點,當霍爾傳感器在Z軸上作△Z位移時,傳感器有一個電壓輸出,電壓大小與位移大小成正比。
如果把拉力、壓力等參數變成位移,便可測出拉力及壓力的大小,按這一原理可制成的力傳感器。
在非磁性材料的圓盤邊上粘一塊磁鋼,霍爾傳感器放在靠近圓盤邊緣處,圓盤旋轉一周,霍爾傳感器就輸出一個脈沖,從而可測出轉數(計數器),若接入頻率計,便可測出轉速。
如果把開關型霍爾傳感器按預定位置有規律地布置在軌道上,當裝在運動車輛上的永磁體經過它時,可以從測量電路上測得脈沖信號。根據脈沖信號的分布可以測出車輛的運動速度。

(1)電流傳感器必須根據被測電流的額定有效值適當選用不同的規格的產品。被測電流長時間超額,會損壞末極功放管(指磁補償式),一般情況下,2倍的過載電流持續時間不得超過1分鐘。
(2)電壓傳感器必須按產品說明在原邊串入一個限流電阻R1,以使原邊得到額定電流,在一般情況下,2倍的過壓持續時間不得超過1分鐘。
(3)電流電壓傳感器的最佳精度是在原邊額定值條件下得到的,所以當被測電流高于電流傳感器的額定值時,應選用相應大的傳感器;當被測電壓高于電壓傳感器的額定值時,應重新調整限流電阻。當被測電流低于額定值1/2以下時,為了得到最佳精度,可以使用多繞圈數的辦法。
(4)絕緣耐壓為3KV的傳感器可以長期正常工作在1KV及以下交流系統和1.5KV及以下直流系統中,6KV的傳感器可以長期正常工作在2KV及以下交流系統和2.5KV及以下直流系統中,注意不要超壓使用。
(5)在要求得到良好動態特性的裝置上使用時,最好用單根銅鋁母排并與孔徑吻合,以大代小或多繞圈數,均會影響動態特性。
(6)在大電流直流系統中使用時,因某種原因造成工作電源開路或故障,則鐵心產生較大剩磁,是值得注意的。剩磁影響精度。退磁的方法是不加工作電源,在原邊通一交流并逐漸減小其值。
(7)傳感器抗外磁場能力為:距離傳感器5~10cm一個超過傳感器原邊電流值2倍的電流,所產生的磁場干擾可以抵抗。三相大電流布線時,相間距離應大于5~10cm。
(8)為了使傳感器工作在最佳測量狀態,應使用圖1-10介紹的簡易典型穩壓電源。
(9)傳感器的磁飽和點和電路飽和點,使其有很強的過載能力,但過載能力是有時間限制的,試驗過載能力時,2倍以上的過載電流不得超過1分鐘。
(10)原邊電流母線溫度不得超過85℃,這是ABS工程塑料的特性決定的,用戶有特殊要求,可選高溫塑料做外殼。
霍爾電壓傳感器和霍爾電流傳感器主要適用于工業控制領域的電壓和電流測量。由于傳感器一般不提供角差指標,對于需要準確測量交流電功率的場合,應對其角差指標進行驗證,這一點需特別注意。工頻電量測量可用互感器替代,變頻電量測量可用電壓、電流組合式的變頻功率傳感器替代。
霍爾傳感器技術應用于汽車工業
霍爾傳感器技術在汽車工業中有著廣泛的應用,包括動力、車身控制、牽引力控制以及防抱死制動系統。為了滿足不同系統的需要,霍爾傳感器有開關式、模擬式和數字式傳感器三種形式。
霍爾傳感器可以采用金屬和半導體等制成,效應質量的改變取決于導體的材料,材料會直接影響流過傳感器的正離子和電子。制造霍爾元件時,汽車工業通常使用三種半導體材料,即砷化鎵、銻化銦以及砷化銦。最常用的半導體材料當屬砷化銦。
霍爾傳感器的形式決定了放大電路的不同,其輸出要適應所控制的裝置。這個輸出可能是模擬式,如加速位置傳感器或節氣門位置傳感器,也可能是數字式。如曲軸或凸輪軸位置傳感器。
當霍爾元件用于模擬式傳感器時,這個傳感器可以用于空調系統中的溫度表或動力控制系統中的節氣門位置傳感器。霍爾元件與微分放大器連接,放大器與NPN晶體管連接。磁鐵固定在旋轉軸上,軸在旋轉時,霍爾元件上的磁場加強。其產生的霍爾電壓與磁場強度成比例。
當霍爾元件用于數字信號時,例如曲軸位置傳感器、凸輪軸位置傳感器或車速傳感器,必須首先改變電路。霍爾元件與微分放大器連接,微分放大器與施密特觸發器連接。在這種配置中。傳感器輸出一個開或關的信號。在多數汽車電路中,霍爾傳感器是電流吸收器或者使信號電路接地。要完成這項工作,需要一個NPN晶體管與施密特觸發器的輸出連接。磁場穿過霍爾元件,一個觸發器輪上的葉片在磁場和霍爾元件之間通過。
霍爾傳感器應用于出租車計價器
霍爾傳感器在出租車計價器上的應用:通過安裝在車輪上的霍爾傳感器A44E檢測到的信號,送到單片機,經處理計算,送給顯示單元,這樣便完成了里程計算。檢測原理,P3.2口作為信號的輸入端,內部采用外部中斷0,車輪每轉一圈(設車輪的周長是1 m),霍爾開關就檢測并輸出信號,引起單片機的中斷,對脈沖計數,當計數達到1 000次時,也就是1 km,單片機就控制將金額自動增加。
每當霍爾傳感器輸出一個低電平信號就使單片機中斷一次,當里程計數器對里程脈沖計滿1 000次時,就有程序將當前總額累加,使微機進入里程計數中斷服務程序中。在該程序中,需要完成當前行駛里程數和總額的累加操作,并將結果存入里程和總額寄存器中。
霍爾電流傳感器在變頻器中的應用
在有電流流過的導線周圍會感生出磁場,再用霍爾器件檢測由電流感生的磁場,即可測出產生這個磁場的電流的量值。由此就可以構成霍爾電流、電壓傳感器。因為霍爾器件的輸出電壓與加在它上面的磁感應強度以及流過其中的工作電流的乘積成比例,是一個具有乘法器功能的器件,并且可與各種邏輯電路直接接口,還可以直接驅動各種性質的負載。因為霍爾器件的應用原理簡單,信號處理方便,器件本身又具有一系列的獨特優點,所以在變頻器中也發揮了非常重要的作用。
在變頻器中,霍爾電流傳感器的主要作用是保護昂貴的大功率晶體管。由于霍爾電流傳感器的響應時間短于1μs,因此,出現過載短路時,在晶體管未達到極限溫度之前即可切斷電源,使晶體管得到可靠的保護。
霍爾電流傳感器按其工作模式可分為直接測量式和零磁通式,在變頻器中由于需要精準的控制及計算,因此選用了零磁通方式。將霍爾器件的輸出電壓進行放大,再經電流放大后,讓這個電流通過補償線圈,并令補償線圈產生的磁場和被測電流產生的磁場方向相反,若滿足條件IoN1=IsN2,則磁芯中的磁通為0,這時下式成立:
Io=Is(N2/N1)式中,Io為被測電流,即磁芯中初級繞組中的電流,N1為初級繞組的匝數,Is為補償繞組中的電流,N2為補償繞組的匝數。由上式可知,達到磁平衡時,即可由Is及匝數比N2/N1得到Io。
霍爾電流傳感器的特點是可以實現電流的“無電位”檢測。即測量電路不必接入被測電路即可實現電流檢測,它們靠磁場進行耦合。因此,檢測電路的輸入、輸出電路是完全電隔離的。檢測過程中,檢測電路與被檢電路互不影響。
上一篇:激光傳感器原理及應用
下一篇:壓力表原理及概述
專業顧問快速對接您的需求
高質量的設備解決您的需求
專業制作工廠高質量的保證
多年經營值得信賴