固話:021-6040 2598
傳真:021-6040 2599
采購:info@euro-ke.com
銷售:sales@euro-ke.com
上海市寶山區羅店路388號MAX科技園A座504-1室
導讀:pt100溫度傳感器是一種將溫度變量轉換為可傳送的標準化輸出信號的儀表。主要用于工業過程溫度參數的測量和控制。帶傳感器的變送器通常由兩部分組成:傳感器和信號轉換器。傳感器主要是熱電偶或熱電阻;信號轉換器主要由測量單元、信號處理和轉換單元組成(由于工業用熱電阻和熱電偶分度表是標準化的,因此信號轉換器作為獨立產品時也稱為變送器),有些變送器增加了顯示單元,有些還具有現場總線功能。...
pt100溫度傳感器是一種將溫度變量轉換為可傳送的標準化輸出信號的儀表。主要用于工業過程溫度參數的測量和控制。帶傳感器的變送器通常由兩部分組成:傳感器和信號轉換器。傳感器主要是熱電偶或熱電阻;信號轉換器主要由測量單元、信號處理和轉換單元組成(由于工業用熱電阻和熱電偶分度表是標準化的,因此信號轉換器作為獨立產品時也稱為變送器),有些變送器增加了顯示單元,有些還具有現場總線功能。
溫度是自然界中和人類打交道最多的物理參數之一,無論是在生產實驗場所,還是在居住休閑場所,溫度的采集或控制都十分頻繁和重要,而且,網絡化遠程采集溫度并報警是現代科技發展的一個必然趨勢。 由于溫度不管是從物理量本身還是在實際人們的生活中都有著密切的關系,所以溫傳感器就會相應產生。
由于PT100熱電阻的溫度與阻值變化關系,人們便利用它的這一特性,發明并生產了PT100熱電阻溫度傳感器。溫度的采集范圍可以在-200℃~+850℃。
-50度 80.31歐姆
-40度 84.27歐姆
-30度 88.22歐姆
-20度 92.16歐姆
-10度 96.09歐姆
0度 100.00歐姆
10度 103.90歐姆
20度 107.79歐姆
30度 111.67歐姆
40度 115.54歐姆
50度 119.40歐姆
60度 123.24歐姆
70度 127.08歐姆
80度 130.90歐姆
90度 134.71歐姆
100度 138.51歐姆
110度 142.29歐姆
120度 146.07歐姆
130度 149.83歐姆
140度 153.58歐姆
150度 157.33歐姆
160度 161.05歐姆
170度 164.77歐姆
180度 168.48歐姆
190度 172.17歐姆
200度 175.86歐姆
應用范圍:
醫療、電機、工業、溫度計算、阻值計算等高精溫度設備,應用范圍非常之廣泛。
pt100溫度傳感器如果由兩個用來測量溫差的傳感器組成,輸出信號與溫差之間有一給定的連續函數關系。pt100溫度傳感器輸出信號與溫度變量之間有一給定的連續函數關系(通常為線性函數),早期生產的pt100溫度傳感器其輸出信號與溫度傳感器的電阻值(或電壓值)之間呈線性函數關系。標準化輸出信號主要為0mA~10mA和4mA~20mA(或1V~5V)的直流電信號。不排除具有特殊規定的其他標準化輸出信號。溫度變送器按供電接線方式可分為兩線制和四線制。[2]變送器有電動單元組合儀表系列的(DDZ-Ⅱ型、DDZ-Ⅲ型和DDZ-S型)和小型化模塊式的,多功能智能型的。前者均不帶pt100溫度傳感器,后兩類變送器可以方便的與熱電偶或熱電阻組成帶傳感器的變送器。

恒流恒壓法
在傳統的儀器儀表中,一般都采用這種方法,在構建恒流或者恒壓法后,在利用歐姆定律,算出Pt100的阻值,然后查詢分度表,得到溫度。這種方法最簡單也最通用。
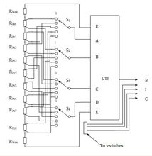
通用傳感器接口UTI法
傳統的方法雖然簡單,但是有很多不足。使用通用傳感器接口芯片,只需要一個對溫度不敏感的參考電阻,把Pt100接上UTI的電路,可以通過MCU得到Pt100和參考電阻的比例,從而得到阻值和溫度。這種方法非常適用于基于微處理器(MCU)的系統,UTI所有的信息只通過一MCU兼容的信號輸出,這樣大大的減少了各分立模塊之間的外接線和耦合器。
a)接1個Pt100的接線圖

b)接2到3個Pt100的接線圖

c)接8個Pt100的接線圖

LM-PT100、LM-PT1000是帶LCD顯示的熱電阻溫濕度傳感器,工作于-40℃~+85℃( Link-Max 溫濕度傳感器主機范圍,不是外接的傳感器范圍)工業級環境,采集溫度范圍為-200℃~+200℃,顯示精度0.1℃;綜合精度0.3℃。將我們的熱電阻傳感器與我們的RS-485中繼器,可將原來只能連接32個PT100、PT1000熱電阻采集模塊連到同一網絡曾多到255個,且最大通信距離為1200m。LM-PT100、LM-PT1000熱電阻溫濕度傳感器還可以和LM-8052NET配合,組成TCP/IP的溫度采集網絡,可實現遠程采集溫度。
LM-PT100、LM-PT1000、WD-PT100、WD-PT1000是一種新型的熱電阻溫度傳感器采集模塊(不帶PT100、PT1000溫度傳感器,需另外購買),利用它可以實現兩路現場溫度的采集,同時利用其自身的RS-485總線串行通信接口可以方便地和環境監控主機或其他工控主機進行聯網。
工作于-40℃~85℃(主機范圍,不是外接的傳感器范圍)工業級PT100、PT1000熱電阻采集模塊,按顯示方式分有不帶LCD顯示的WD系列(WD-PT100、WD-PT1000)和帶LCD顯示的LM系列(LM-PT100、PT1000)兩類。采集溫度范圍為-200℃~+200℃,顯示精度0.1℃;綜合精度0.3℃。
PT100、PT1000熱電阻采集模塊可通過隔離的485通訊接口與RS-485局域控制網組網連接,RS-485最多允許32個PT100、PT1000熱電阻采集模塊掛在同一總線上,但如采用Link-Max的RS-485中繼器,則可將多達256個PT100、PT1000熱電阻采集模塊連到同一網絡,且最大通信距離為1200m。在將PT100、PT1000熱電阻采集模塊安裝入網前,應對其進行配置,并首先應將模塊的波特率與網絡的波特率設為一致,同時應分別設置PT100、PT1000熱電阻采集模塊為不同的地址,防止各PT100、PT1000熱電阻采集模塊的地址沖突。
將PT100、PT1000熱電阻采集模塊正確連接后,主機發出讀數據命令即可使PT100、PT1000熱電阻采集模塊將數據送回主機。PT100、PT1000熱電阻采集模塊內的數據每秒鐘更新一次,并周期性地更新LCD顯示屏的顯示數據(僅LM系列)。
WD系列用于不需要顯示溫度的場合,如戶外ATM機柜,該系列為DIN導軌安裝型外殼。LM系列除可完成溫度采集外,還可以預先設置溫度的上下限報警值,當環境參數超過該設定值時,機內蜂鳴器立即響起報警聲。
PT100、PT1000熱電阻采集模塊是一種具有廣泛應用前景的全數字化PT100、PT1000熱電阻采集模塊,使用該模塊可使溫度監控變得十分容易,PT100、PT1000熱電阻采集模塊可接兩線制、三線制、四線制PT100、PT1000熱電阻,當采用三線四線時,模塊可對線阻進行有效地補償。使電纜的長度不影響采集精度。該模塊在環境監控系統、電力系統和工業自動化等領域獲得廣泛的應用,具有極優的性價比。
PT100、PT1000熱電阻采集模塊還可和LM-8052NET配合,組成TCP/IP的溫度采集網絡,可實現遠程采集溫度。

輸入響應時間(模塊內數據更新率)為1秒同步測量
1路隔離的485, MODBUS RTU通訊協議
采用RS-485二線制輸出接口時,具有+15kV的ESD保護功能
速率(bps)可在1200、2400、4800、9600、19200、38400、57600、115200中選擇
可選的雙協議通訊功能,客戶可要求具有ASCII碼格式或十六進制格式通訊協議
當指令為ASCII碼格式時,適合于微機編程接口;指令為十六進制格式時,適合于單片機編程接口
可設置的溫度上下限報警功能(僅LM系列)
精度等級:0.2級
供電電源:+7.5~30V
功耗小于0.1W
主機工作溫度范圍為-40℃~+85℃
測量范圍為-200℃~+200℃
存貯條件為-40℃~+85℃(RH:5%~95%不結露)
體積:LM系列為106mm×98mm×22mm;WD系列為26mm×98mm×41mm 安裝方式:
LM系列為壁掛式安裝孔,內置斜撐支架也可桌面擺放;WD系列為DIN導軌卡裝
LM-400帶LCD顯示屏的網絡型溫度傳感器傳感器采集模塊(自帶溫濕度傳感器)
LM-410帶LCD顯示屏的網絡型溫濕度傳感器傳感器采集模塊(自帶溫濕度傳感器)
LM-420帶LCD顯示屏帶上下限報警輸出的網絡型溫濕度采集模塊(可控制聲光報警器)
LM-PT100帶LCD顯示屏的網絡型兩路PT100熱電阻采集模塊
LM-PT1000帶LCD顯示屏的網絡型兩路PT1000熱電阻采集模塊
WD-PT100不帶LCD顯示屏的網絡型兩路PT100熱電阻采集模塊
WD-PT1000不帶LCD顯示屏的網絡型兩路PT1000熱電阻采集模塊
上一篇:PT100溫度變送器
專業顧問快速對接您的需求
高質量的設備解決您的需求
專業制作工廠高質量的保證
多年經營值得信賴